項目概述:
首鋼通化鋼鐵公司制氧廠#2號空分機組于2007年投產,采用MAN公司壓縮機、ABB10.5MW無刷高壓同步驅動電動機。經過10年運行,同步電動機控制柜元器件老化,進口備件昂貴且不能保證及時供貨,根據業主需求,我公司對該電機控制柜進行了升級改造,改造后的設備于2020年4月投運,目前設備運行良好。
改造方案:
本改造方案針對通化鋼鐵公司空分車間10.5MW驅動電動機控制柜進行升級改造;本方案包括對電機勵磁、保護及熱工儀表設備進行更換,并對旋轉二極管及投勵控制回路檢修。
一、 勵磁系統
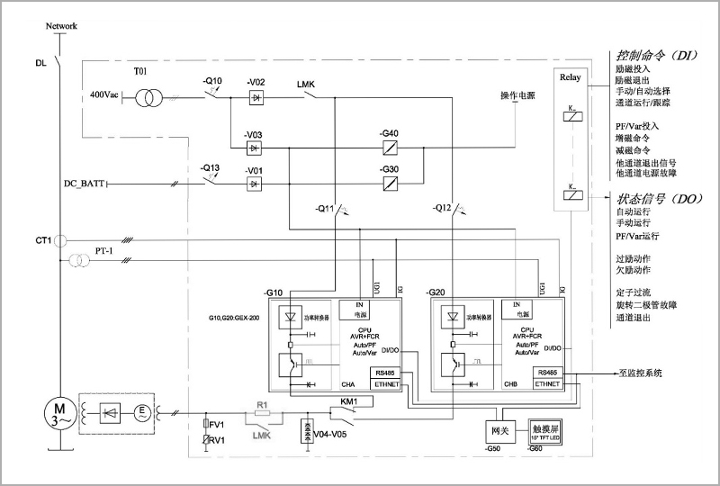
原勵磁系統的實現為PLC、功率觸發器和可控硅三部分組成,新勵磁系統采用全數字雙通道無刷勵磁控制器組成;
1、勵磁變壓器 -T01
勵磁變壓器是勵磁回路提供功率電源,從廠用UPS電源取電,勵磁變壓器容量設計需滿足電機1.8倍的強勵倍數。

圖1:勵磁回路原理圖
?
2、控制通道 -G10 -G20
勵磁控制器采用我司自主研發的GEX-200型無刷勵磁控制器,雙通道冗余設計,通過接觸器-KM1實現通道切換,正常工作時一個通道運行,一個通道處于跟蹤狀態,運行通道發生故障時,自動切換到跟蹤通道;每一個通道內置手動方式,可實現無擾動切換。
3、滅磁開關 -LMK
滅磁開關選用施耐德 LC1D258-LAD01;帶機械閉鎖的接觸器。系統故障時,滅磁開關跳開,磁場回路通道滅磁電阻R1快速滅磁,保證設備的安全。
4、工作電源
工作電源為雙路冗余,一路來自廠用直流蓄電池(如有),一路來自交流電源。
5、運行方式
- 自動運行
- 手動方式
- 恒功率因數運行(簡稱APFR)/恒無功功率運行(簡稱 AQR)
- 開機與投勵順序控制
6、勵磁系統附加保護限制功能
該勵磁系統配置了完善的限制保護功能,具體如下:
- 過勵限制
- 欠勵限制
- 定子過流限制
- 失步保護
- 過壓、欠壓保護
- 旋轉二極管故障監測
- 雙通道互檢
二、電機保護
為防止同步電機在運行中出現故障損壞或者故障擴大,需要配置電機保護器,電機保護器應選用性能可靠的產品。
保護配置如下:
(1) 差動速斷保護
(2) 比率差動保護
(3) 差流越限告警
(4) CT 斷線告警
(5) 三段過流保護(二段反向閉鎖)
(6) 二段負序過流保護(負序反向閉鎖)
(7) 二段零序過流保護
(8) 過熱保護(過熱禁止再起動)
(9) 過負荷保護
(10) 低電壓保護
(11) 過電壓保護
(12) 低頻保護
(13) 低功率(逆功率)保護
(14) 失磁保護
(15) 失步保護
(16) 三路開關量保護
(17) PT 斷線告警
三、熱工信號部分
控制柜采用西門子S7-300 PLC作為管理和控制裝置,配置對應的模入和開入及通訊卡件,將以下熱工信號采集進PLC,進行顯示、判斷及報警。
這些信號包括:

PLC綜合這些熱工信號,電機綜保信號,通過程序邏輯控制,完成一鍵自動開機,自動停機。
四、人機交互
控制柜柜門安裝一臺觸摸屏,完成顯示、操作及參數整定功能。
屏幕尺寸:15寸
分辨率:1024*768
人機交互界面包括以下內容:

五、柜體尺寸(mm):800*500*2000
